Цена: смета
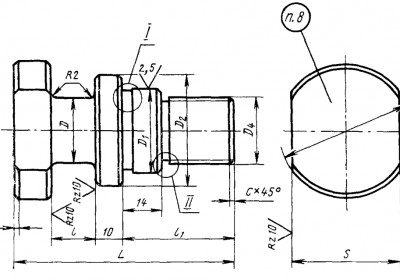
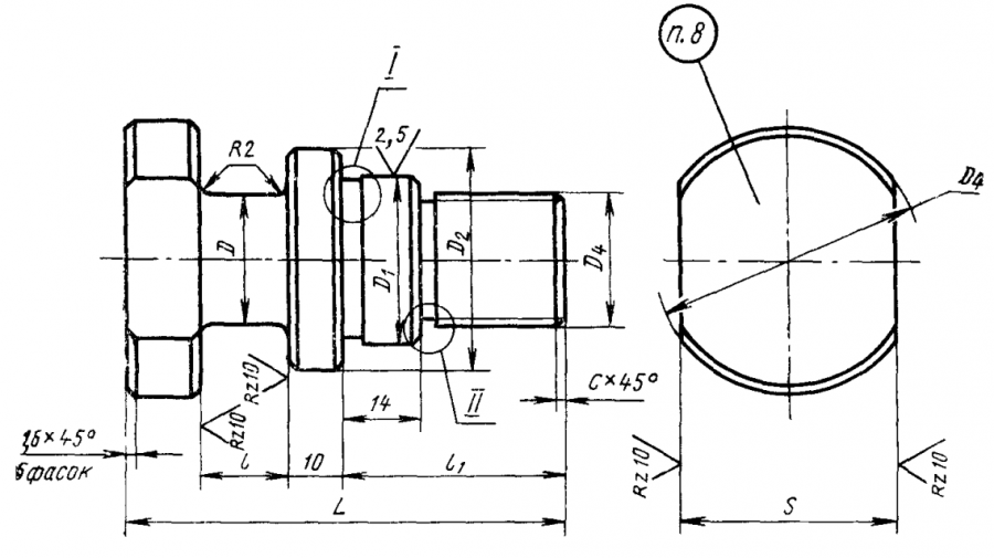
Изготавливаем переходники, предназначенные для крепления плит выталкивателей к штоку кокильных машин по ГОСТ 21090-75, а именно: Переходник 0401-1101 ГОСТ 21090-75, Переходник 0401-1102 ГОСТ 21090-75, Переходник 0401-1103 ГОСТ 21090-75, Переходник 0401-1104 ГОСТ 21090-75, Переходник 0401-1105 ГОСТ 21090-75, Переходник 0401-1106 ГОСТ 21090-75, Переходник 0401-1107 ГОСТ 21090-75, Переходник 0401-1108 ГОСТ 21090-75. Можем делать как условные размеры М24, М30х1,5, М36х1,5, так и по вашим чертежам и параметрам, из сталей 45, 40Х, 40Х13, а так же возможна замена на другие стали с механическими свойствами не ниже, чем у Ст.45. Данный переходник идет с термической обработкой HRC 35-40 и покрытием Хим.Окс.прм (05) или же любым другим по вашему желанию.
Моб. +7(950)848-55-19
Раб. +7(991)086-37-37
https://rskrepeg.ru
rsk_161@mail.ru
ООО ТПК «СпецРусМетиз»
кокильная машина, машина кокильного литья, кокильные машины для литья металлов, купить кокильную машину, кокильная машина для литья алюминия, выталкиватель, кокиль, литье в кокиль, отливка в кокиль






